您好,欢迎来到中彩神官网!
中彩神
专注电气元件品牌销售服务
当前位置:首页 > 产品中心 > Bussmann > 库柏西熔 > 西熔快速熔断器 >
产品中心
全国服务热线
400-875-1500
销售热线:13720093566

扫一扫,添加销售经理

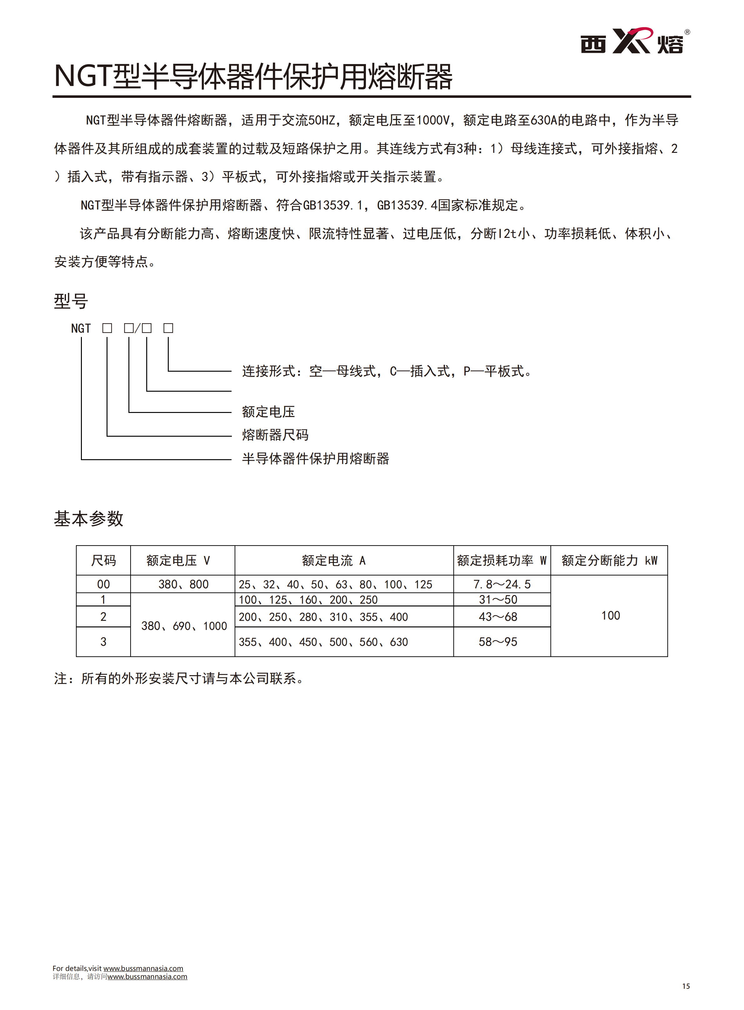
刀型熔断器NGT 200A

库存型号:NGT-00 380V/32A NGT-00 700V/80A NGT-00 800V/125A-C NGT-1 700V/250A

额定电压:380-1000V

额定电流:25-630A

应用领域:半导体器件保护


销售热线
13720093566

扫一扫,添加销售经理
分享至:
  • 产品介绍
  • 视频中心
  • 相关证书
  • 样品申请

NGT 200ANGT 200ANGT 200A

上一篇:没有了 下一篇:快速熔断器 NGT 300A
相关产品